· Features and application ZSN4 series DC motor is a kind of special motor which is developed based on the characteristics of cement rotary kiln main drive.
The motor adopt octagon structure and the availability of stator space is high, stator magnetism yoke is terrace, which can suffer from the pulsating current and rapid upheaval in current, and is applicable to triphase all control bridge commutate's power. And the motor can work for a long time without calm wave reactor. Novel class F insulating structure makes insulating function stable and easy to dissipate heat.
Designing on the basis of the characteristics of cement rotary kiln makes start moment 2.5 times as rated moment. The cooling method of using pipe-ventilating makes the motor operate safely and dependably in the bad environment with dust.
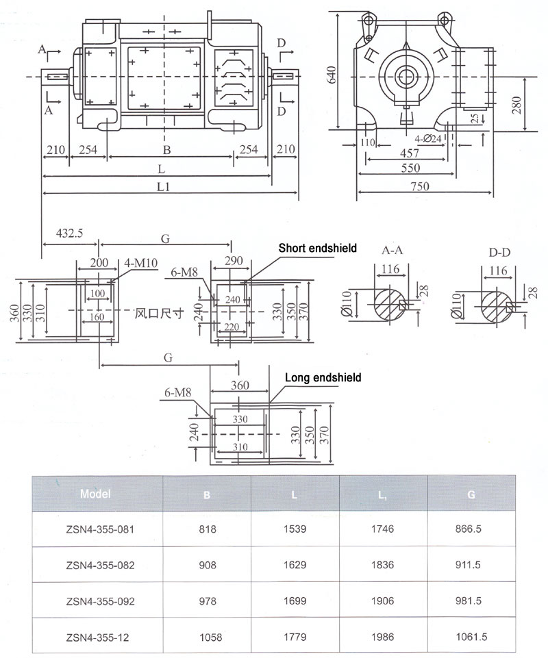
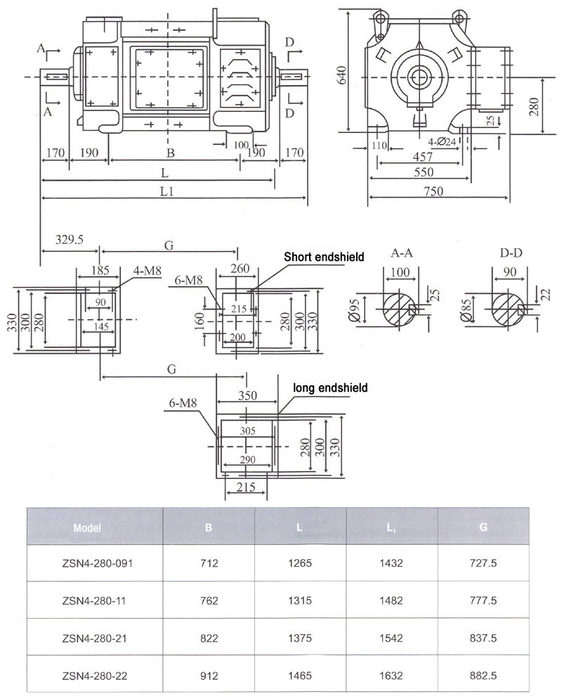
The size of motor comply with ICE72 international standard, except for the axial distance between the mounting holes (dimension B).· Performance Frame size:H250~450mmPower range:35kW~280kWSpeed:20~900r/minRated voltage:160V, 400V, 440V, etcexciting voltage:160V, 220V, 400V, etcInsulation class:FDegree of protection:IP23S, IP44Mounting arrangement:IMB3Cooling method:IC06, ICl7, IC37, ICW37A86Type duty:S1The motor has such advantage as high efficiency, energy-saving, low noise, low vibration, light weight and reliable performance. They are easy for installation and maintenance.
· Model explanation
Products
ZSN4 Series Cement Rotary Kiln Driving DC Motor
| Payment Terms: | 30% in advance, balance by T/T or L/C at sight |
| Minimum Order: | 1 Piece |
| Package: | plywood box |
| Brand Name: | ELE |
| Protection: | Normal IP21S, IP23, IP44 (IP54 available) |
| Cooling: | Normal IC06, IC17, IC37, IC86W |
| Insulation: | Normal class F (Class H available) |
| Mounting: | Normal IMB3 (IM1001 & IM1002) |
| Duty: | S1 |
| Armature Voltage: | Normal 400V, 440V, 550V |
| Field voltage: | Normal 180V, 220V, 310V |
| Ambient condition: | Normal Temperature ≤40℃, Normal Altitude ≤1000m |

Mobile/ WhatsApp/ Wechat:
Tel: +86-21-68783060
sales@cn-electric.com
